Skip to main content

DG15‑Serie Mehrkanal‑Peristaltik‑Pumpenköpfe | Bis 4 Kanäle | bis 1800 mL/min

Mehrkanal‑Peristaltik‑Pumpenköpfe für mittlere Durchflussraten und einstellbarer Okklusion.

DG15-28 Pumpenkopf
DG15-24 Pumpenkopf

Beschreibung

Die Mehrkanal‑Peristaltik‑Pumpenköpfe der DG15‑Serie wurden speziell für Anwendungen mit mittleren Durchflussraten und paralleler Medienförderung entwickelt. Sie vereinen eine kompakte Bauweise mit einfacher Schlauchhandhabung.

Ein zentrales Merkmal der DG15‑Serie ist die einstellbare Okklusion, die den Einsatz von Schläuchen mit unterschiedlichen Wandstärken ermöglicht. Dadurch wird eine sichere Förderung gewährleistet, während gleichzeitig die Schlauchlebensdauer optimiert wird. Das modulare Konzept mit Basis, Rotor‑Einheit und leicht wechselbaren Kartuschen erleichtert Wartung und Integration erheblich.

Die Pumpenköpfe sind mit Edelstahl‑Rollen und POM‑Kartuschen ausgestattet, was für eine stabile, langlebige Performance sorgt. Je nach Ausführung stehen unterschiedliche Kanal‑ und Rollenvarianten zur Verfügung, um Förderleistung und Pulsation optimal an die Anwendung anzupassen.

  • DG15-14: 2 Kanäle, 4 Rollen - Bis 1800 mL/min pro Kanal
  • DG15-28: 2 Kanäle, 8 Rollen - Bis 75 mL/min pro Kanal
  • DG15-48: 4 Kanäle, 8 Rollen - Bis 75 mL/min pro Kanal

Spezifiktionen

Parameter
DG15-24
DG15-28
DG15-48
Drehzahlbereich (U/min)
≤600rpm
≤100rpm
≤100rpm
Max. Förderleistung (Einzelkanal) (mL/min)
1800
75
75
Rollenanzahl
4
8
8
Stapelbar
Nein
Nein
Nein
Anzahl Kanäle
2
2
4
Rollenmaterial
Edelstahl
Edelstahl
Edelstahl
Gehäusematerial
POM
POM
POM
Gewicht (kg)
0,82
0,67
0,87

Passende Schläuche

Pumpenkopf
Rollenanzahl
Anzahl Kanäle
Schlauchgrößen
max. Förderrate (ml/min)
DG15-24
4
2
16# (2,4 mm x 1,6 mm)
25# (4,8 mm x 1,6 mm)
17#(6,4 mm x 1,6 mm)
1800 (Einzelkanal)
DG15-28
5
2
ID ≤ 3,17 mm, Wandstärke: 0,8–1 mm
75 (Einzelkanal)
DG15-48
5
4
13# (0,8 x 1,7mm)
14# (1,6 x 1,7 mm)
Innendurchmesser (ID) ≤ 3,17 mm, Wandstärke: 1,0 mm
75 (Einzelkanal)

Förderkurven

DG15-28 & DG15-48 Förderkurven
DG15-28 & DG15-48 Förderkurven
DG15-24 Förderkurven
DG15-24 Förderkurven

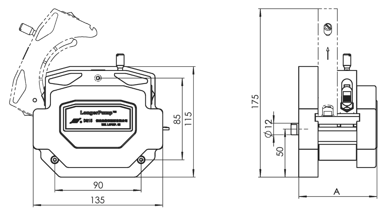
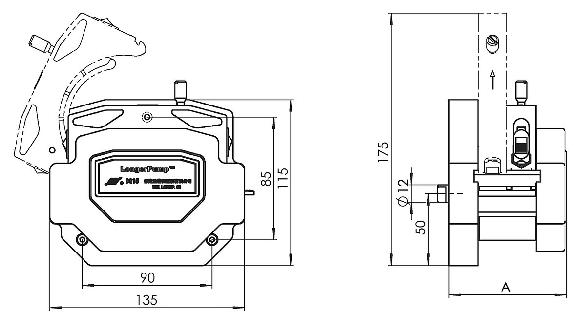
Abmessungen

DG15-Serie Abmessungen